



Формы стальные цилиндрические облегченные ФАС предназначены для изготовления асфальтобетонных образцов по ГОСТ 12801.
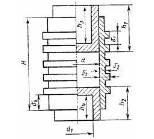
Размеры формы:
Основные размеры, мм | ||||||||||
d | d1 | Н | h1 | h2 | h3 | h4 | δ1 | δ2 | δ3 | δ4 |
101 | 77 | 180 | 110 | 70 | 90 | 50 | 10 | 6 | 12 | 25 |
Технические характеристики формы ФАС-3 | |
Наибольшая крупность минеральных зерен | 40 мм |
Отклонение от плоскостности торцевых поверхностей вкладышей | ≤0,05 мм |
Отклонение от перпендикулярности образующей цилиндрической поверхности вкладышей относительно поверхности их оснований | ≤0,06 мм |
Максимальная шероховатость рабочих поверхностей R | ≤3,2 мкм |
Вес | 10 кг |
Комплект поставки:
- Форма ФАС-3: 1 шт.
- Аттестат первичной аттестации: 1 шт.
- Паспорт: 1 экз.
Нет отзывов об этом товаре.
Нет вопросов об этом товаре.
Доставка заказов осуществляется в любые регионы Российской Федерации и страны СНГ.
Цены на нашем сайте указаны с учетом НДС (20% либо 10%).
Оплата заказов производится только в безналичной форме на расчетный счет в рублях Российской Федерации на основании выставленного Счета.
Для бюджетных организаций и государственных структур предусмотрены особые условия оплаты.
Постоянным клиентам предоставляются скидки и индивидуальный порядок расчетов.
Внимание! В связи с нестабильным курсом валют и изменением цен у производителей, просим окончательную стоимость продукции уточнять у наших менеджеров.
Варианты доставки:
Самовывоз со склада в городе Клин
Адрес выдачи: Московская область, г. Клин, ул. Захватаева, д. 4, офис 101
Контактный телефон: +7 (977) 407-05-96
Доставка по Клину и Клинскому району – бесплатно
Доставка по Москве – 1 500 рублей
Доставка любыми транспортными компаниями, службами экспресс-доставки. Стоимость рассчитывается индивидуально для каждого заказа в соответствии с установленными тарифами транспортной компании. Все грузы застрахованы.
Компания "КомплектСнаб является официальным поставщиком от производителя Футурум. Вы всегда можете получить бесплатную консультацию по продукции, получить КП и задать вопросы по подбору аналогов продукции.